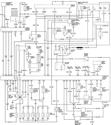
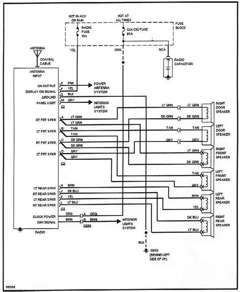
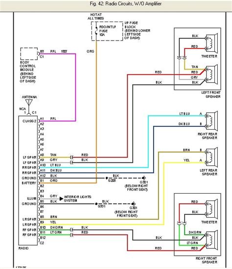
07 pontiac g6 radio wiring diagram

07 pontiac g6 radio wiring diagram

07 Pontiac G6 Radio Wiring Diagram 2007 Pontiac G6 Radio Wiring Harness