03 Mazda 3 Wiring Diagram Pdf Mazda Diagram Wiring Parts 2010 Engine Sponsored Links 2007

03 Mazda 3 Wiring Diagram Pdf Mazda Diagram Wiring Parts 2010 Engine Sponsored Links 2007

11 pin relay wiring diagram pdf

If you are searching about Mazda 3 Workshop Manual - Engine + Wiring Diagrams+Diagnostic Trouble you've came to the right web. We have 16 Pictures about Mazda 3 Workshop Manual - Engine + Wiring Diagrams+Diagnostic Trouble like Mazda 3 2019 Wiring Diagram | Auto Repair Manual Forum - Heavy, 11 pin relay wiring diagram pdf - NaadeinIwan and also Mazda 3 User Wiring Diagram 2007. Here you go:

Mazda 3 Workshop Manual - Engine + Wiring Diagrams+Diagnostic Trouble

Mazda 3 Workshop Manual - Engine + Wiring Diagrams+Diagnostic Trouble www.scribd.com

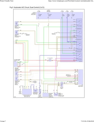
Free Mazda Wiring Diagrams

Free Mazda Wiring Diagrams schematicgladjesyn.z22.web.core.windows.net

Mazda 3 Hatchback Keyless Entry At Richard Goldsberry Blog

Mazda 3 Hatchback Keyless Entry at Richard Goldsberry blog ceonevhw.blob.core.windows.net

Wiring Diagram 2010 Mazda 3 - Wiring Digital And Schematic

Wiring Diagram 2010 Mazda 3 - Wiring Digital and Schematic www.wiringdigital.com

WIRING DIAGRAM MAZDA 3 2018.pdf

WIRING DIAGRAM MAZDA 3 2018.pdf www.slideshare.net

2013 Mazda 5 Wiring Diagram

2013 Mazda 5 Wiring Diagram wiringguidethirsk.z19.web.core.windows.net

Mazda 3 Wiring Diagram Pdf - Wiring Site Resource

Mazda 3 Wiring Diagram Pdf - Wiring Site Resource wiringdatabaseinfo.blogspot.com

mazda wiring diagram pdf diagrams kn

Mazda 3 Wiring Diagram For Headlights

Mazda 3 Wiring Diagram For Headlights guidefixflexburglq.z22.web.core.windows.net

11 Pin Relay Wiring Diagram Pdf - NaadeinIwan

11 pin relay wiring diagram pdf - NaadeinIwan naadeiniwan.blogspot.com

2007 Mazda 3 Wiring Diagram Original

2007 Mazda 3 Wiring Diagram Original wiredataaimettava.z22.web.core.windows.net

Wiring Diagram For 2007 Toyota Tundra

Wiring Diagram For 2007 Toyota Tundra fixlibrarybiermann.z21.web.core.windows.net

Mazda 3 2019 Wiring Diagram | Auto Repair Manual Forum - Heavy

Mazda 3 2019 Wiring Diagram | Auto Repair Manual Forum - Heavy www.autorepairmanuals.ws

Mazda Wiring Diagram

Mazda Wiring Diagram www.tankbig.com

mazda diagram wiring parts 2010 engine sponsored links 2007

Mazda 3 Wiring Diagram - Diagramming Tale

Mazda 3 Wiring Diagram - Diagramming Tale diagrammingtales.blogspot.com

Mazda 3 Wiring Diagram Pdf

Mazda 3 Wiring Diagram Pdf schematiccurarmevj9cu.z19.web.core.windows.net

Mazda 3 User Wiring Diagram 2007

Mazda 3 User Wiring Diagram 2007 wiredatamariloujoj2.z13.web.core.windows.net

2007 mazda 3 wiring diagram original. Mazda wiring diagram. Mazda 3 wiring diagram for headlights