1968 Plymouth Fury 3 Fuse Box Wiring Diagram 1967 Plymouth Fury & Sport Color Wiring Diagram – Classiccarwiring

1968 Plymouth Fury 3 Fuse Box Wiring Diagram 1967 Plymouth Fury & Sport Color Wiring Diagram – Classiccarwiring

Mustang wiring diagram 1968 68 switch diagrams headlight lights vacuum lighter fuse schematics cigar interior cluster harness light e8 1970

If you are looking for Find 1963 PLYMOUTH SAVOY BELVEDERE FURY 6 CYLINDER 63 WIRING GUIDE you've visit to the right place. We have 35 Pics about Find 1963 PLYMOUTH SAVOY BELVEDERE FURY 6 CYLINDER 63 WIRING GUIDE like Download 1967 Plymouth Fury Wiring Diagram Pictures, 1968 - wiring diagram | IH8MUD Forum and also Replacing 66 Fury III coil wiring question | For C Bodies Only Classic. Here you go:

Find 1963 PLYMOUTH SAVOY BELVEDERE FURY 6 CYLINDER 63 WIRING GUIDE

Find 1963 PLYMOUTH SAVOY BELVEDERE FURY 6 CYLINDER 63 WIRING GUIDE www.2040-parts.com

UPDATE ****No Power To Position #1 #2 And #3 On Fuse Box. | Vintage

UPDATE ****No power to position #1 #2 and #3 on fuse box. | Vintage www.vintage-mustang.com

Innovatehouston Tech: 67 Camaro Alternator Wiring Diagram

Innovatehouston Tech: 67 Camaro Alternator Wiring Diagram innovatehoustontech.blogspot.com

For Sale - 1968 Plymouth Fury III Convertible (eBay) | For C Bodies

For Sale - 1968 Plymouth Fury III Convertible (eBay) | For C Bodies www.forcbodiesonly.com

mopar plymouth convertible fury 1968 iii ebay forum down sale driving tell road open american vintage top

1967 Plymouth Fury & Sport Color Wiring Diagram – ClassicCarWiring

1967 Plymouth Fury & Sport Color Wiring Diagram – ClassicCarWiring classiccarwiring.com

Owners Manual For 1968 Plymouth Fury

Owners Manual For 1968 Plymouth Fury rohnersautoparts.com

Download 1967 Plymouth Fury Wiring Diagram Pictures

Download 1967 Plymouth Fury Wiring Diagram Pictures watheess.blogspot.com

1968 Mustang Wiring Diagrams · Peter Franza

1968 Mustang Wiring Diagrams · Peter Franza www.peterfranza.com

mustang wiring diagram 1968 68 switch diagrams headlight lights vacuum lighter fuse schematics cigar interior cluster harness light e8 1970

1973 All Makes All Models Parts | ML13115A | 1973 Plymouth Fury Color

1973 All Makes All Models Parts | ML13115A | 1973 Plymouth Fury Color www.classicindustries.com

NOT MINE - 1968 Plymouth Fury Iii $15,000 | For C Bodies Only Classic

NOT MINE - 1968 Plymouth fury iii $15,000 | For C Bodies Only Classic www.forcbodiesonly.com

1968 Plymouth Fury 3 Wiring Diagram - Goherbal

1968 Plymouth Fury 3 Wiring Diagram - Goherbal goherbal25.blogspot.com

1968 Plymouth Fury III For Sale | ClassicCars.com | CC-1780983

1968 Plymouth Fury III for Sale | ClassicCars.com | CC-1780983 classiccars.com

[DIAGRAM] 1968 Roadrunner Firewall Wiring Diagram - MYDIAGRAM.ONLINE

[DIAGRAM] 1968 Roadrunner Firewall Wiring Diagram - MYDIAGRAM.ONLINE mydiagram.online

1961 - 1965 PLYMOUTH FURY SAVOY BELVEDERE PLAZA WIRING DIAGRAMS

1961 - 1965 PLYMOUTH FURY SAVOY BELVEDERE PLAZA WIRING DIAGRAMS www.ebay.com

fury 1961 schematics belvedere

[DIAGRAM] 1973 Plymouth Wiring Diagrams - MYDIAGRAM.ONLINE

[DIAGRAM] 1973 Plymouth Wiring Diagrams - MYDIAGRAM.ONLINE mydiagram.online

1968 Plymouth Fury III PX23G8D243539 Project | Page 16 | For C Bodies

1968 plymouth fury III PX23G8D243539 project | Page 16 | For C Bodies www.forcbodiesonly.com

fury 1968 plymouth iii project mopar forum harness wiring sport off original will

1968 Plymouth Fury III PX23G8D243539 Project | Page 17 | For C Bodies

1968 plymouth fury III PX23G8D243539 project | Page 17 | For C Bodies www.forcbodiesonly.com

plymouth 1968 fury iii mopar

Owners Manual For 1968 Plymouth Fury

Owners Manual For 1968 Plymouth Fury rohnersautoparts.com

1968 - Wiring Diagram | IH8MUD Forum

1968 - wiring diagram | IH8MUD Forum forum.ih8mud.com

Pin On My 1964 Plymouth Fury Build Diary

Pin on My 1964 Plymouth Fury build diary www.pinterest.com

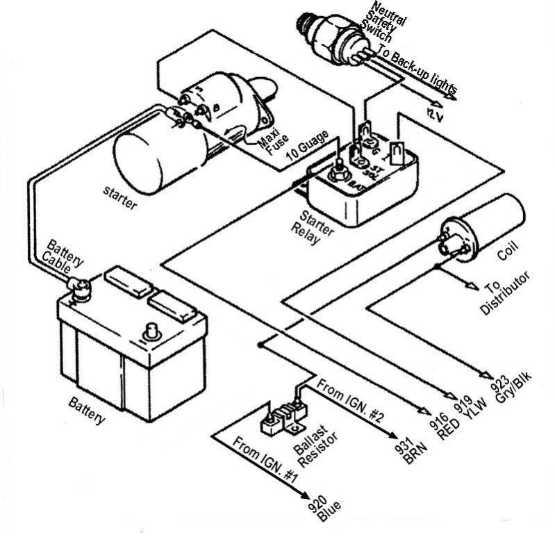
fuse fury plymouth relay

Owners Manual For 1968 Plymouth Fury

Owners Manual For 1968 Plymouth Fury rohnersautoparts.com

Replacing 66 Fury III Coil Wiring Question | For C Bodies Only Classic

Replacing 66 Fury III coil wiring question | For C Bodies Only Classic www.forcbodiesonly.com

64 Plymouth Fury Wiring Diagrams

64 Plymouth Fury Wiring Diagrams wireenginechris.z19.web.core.windows.net

1970 Plymouth Roadrunner Ignition Wiring Diagram - Best Centre

1970 Plymouth Roadrunner Ignition Wiring Diagram - Best Centre best-centre.blogspot.com

Connection Diagram For A Factory Plymouth 1968 Car

Connection Diagram For A Factory Plymouth 1968 Car circuitlibmaria77.z13.web.core.windows.net

Plymouth Fury (1974 - 1976) - Fuse Box Diagram - Auto Genius

Plymouth Fury (1974 - 1976) - fuse box diagram - Auto Genius www.autogenius.info

fuse box plymouth diagram 1974 fury monaco dodge 1976

1965 And 1966 Mustang Fuse Box Location And Guide, 55% OFF

1965 And 1966 Mustang Fuse Box Location And Guide, 55% OFF www.elevate.in

1968 Plymouth Fury Iii | For C Bodies Only Classic Mopar Forum

1968 Plymouth fury iii | For C Bodies Only Classic Mopar Forum www.forcbodiesonly.com

1968 Ford Mustang Wiring Diagram - Wiring Diagram

1968 Ford Mustang Wiring Diagram - Wiring Diagram wiringdiagram.2bitboer.com

1964 Plymouth Fury Wiring Diagrams - Goherbal

1964 Plymouth Fury Wiring Diagrams - Goherbal goherbal25.blogspot.com

I Have A '65 Plymouth Sport Fury With The Commando 383. It's Been

I have a '65 Plymouth Sport Fury with the Commando 383. It's been www.justanswer.com

1968 Plymouth Fury Wiring Diagram

1968 Plymouth Fury Wiring Diagram userlibmarkus.z19.web.core.windows.net

[DIAGRAM] 1979 Ford F100 Fuse Panel Diagram - MYDIAGRAM.ONLINE

[DIAGRAM] 1979 Ford F100 Fuse Panel Diagram - MYDIAGRAM.ONLINE mydiagram.online

1963 Plymouth Fury Wiring Diagram

1963 Plymouth Fury Wiring Diagram enginedatafreeh.z19.web.core.windows.net

Road Runner Wiring Diagrams

Road Runner Wiring Diagrams schematicabogadongwm.z21.web.core.windows.net

Innovatehouston tech: 67 camaro alternator wiring diagram. 1968 plymouth fury iii px23g8d243539 project. Fuse box plymouth diagram 1974 fury monaco dodge 1976